聯系人:熊先生
手 機:13697432957
電 話:13697432957
地 址:廣州市天河區華觀路1963號天虹科技園
真空輥產品的精度要求,最終是由裝配來實現的。根據產品的結構特點、性能要求、生產綱領和生產條件,可采用不同的裝配方法來保證其精度要求,裝配方法有:互換法、選配法、修配法和調整法。裝配方法與尺寸鏈的解算方法密切相關,同一項真空輥裝配精度,采用的裝配方法不同,其裝配尺寸鏈的解算方法亦不相同。

真空輥裝配時各零件不需挑選、修配或調整就能保證裝配精度的裝配方法稱為完全互換法。其裝配尺寸鏈采用極佳公關公式計算。
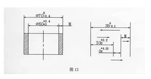
裝配尺寸鏈采用極值公差公式計算。圖中所示一齒輪箱部件,真空輥裝配后要求保證軸向間隙0.2-0.7mm,已知其它有關零件的基本尺寸為: A1=122mm, A2=28mm,A3=5mm。現確定各環的公差及其偏差。
1、查明并畫出裝配尺寸鏈,其中A0為封閉環, A1、A2為增環, A3、A4、A5為減環。
2、確定組成環公差,實現完全互換的條件:各組成環公差之和等于或小于封閉環的公差,即: ET≤T0=0.5m,先設各組成環的公差相等(稱等公差值法),求出各環的平均公差TM 。

1、真空輥標準件的尺寸公差大小按相應標準值(如軸承環的厚度、彈性擋圈的厚度等)
2、尺寸相近、最終真空輥加工方法類同取相等公差值(如有可能,則取標準公差值);
3、難加工或難測量的尺寸,可取較大公差值;
4、表面粗糙度值小( Ra≤0.8um以下)的尺寸,可取較小公差值。
因為封閉環的公差是裝配要求確定的既定值,當大多數組成環取為標準公差值之后,就可能有一個組成環的公差值取的不是標準公差值,此組成環在尺寸鏈中起協調作用,這個組成環稱為協調環。其上、下偏差用極值法有關公式求出。選擇協調環的原則為:
1、選擇不需用定尺寸刀具加工、不需用極限量規檢驗的尺寸做協調環;
2、選易于加工的尺寸作協調環;或是將易于加工的尺寸公差從嚴取標準公差值,然后選一難于加工的尺寸作為協調環。本例選定A4為協調環。 A1、A2 加工較難,公差放大些, A3、A5 加工較易,其公差放小些,設 T =0.16mm, T2 =0.084mm,Тз= T =0.048mm

1、有配合關系的軸孔尺寸的公差帶位置按配合性質查有關標準手冊標注;
2、孔距類尺寸的公差帶位置按對稱分布標注;
3、其它尺寸的公差帶位置,在無具體要求時,一般按“入體”方向標注;
4、協調環的公差帶位置按尺寸鏈計算得到的上、下偏差的結果標注。
掃一掃咨詢微信客服
管理員
該內容暫無評論